drekki-brewing-equipment.com

Mon compte

Panier  
Effectuer la commande
  • Accueil
  • Equipements
    • Concasseur
    • Salle de brassage
    • Nettoyage En Place
    • Gestion du Froid
    • Cuves de fermentation & service
    • Conditionnement canette et bouteille
    • Fût, laveuse , remplisseuse et laveuse/remplisseuse
    • Tirage
  • Unités Complètes
    • Destination BrewPub
    • Destination Brasserie
  • Recherche
  • Avis clients
  • Contact
  • Accueil
  • Equipements
  • Cuves de fermentation & service
  • BBT_01 - Cuve de clarification ISO BBT 3 hL

BBT_01 - Cuve de clarification ISO BBT 3 hL

1419130-bbt-01-cuve-de-clarification-iso-bbt-3-hl
BBT_01 - Cuve de clarification ISO BBT 3 hL
BBT_01 - Cuve de clarification ISO BBT 3 hL
BBT_01 - Cuve de clarification ISO BBT 3 hL
BBT_01 - Cuve de clarification ISO BBT 3 hL
BBT_01 - Cuve de clarification ISO BBT 3 hL
BBT_01 - Cuve de clarification ISO BBT 3 hL
BBT_01 - Cuve de clarification ISO BBT 3 hL
BBT_01 - Cuve de clarification ISO BBT 3 hL

2 750,00 € HT

0 produit en stock, contactez-nous pour une offre sur mesure

Description

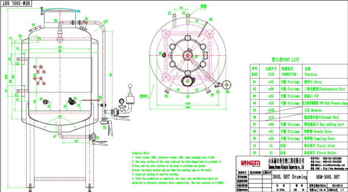
BBT_01 Cuve de clarification ISO BBT 3 hL

  • Capacité utile 300 L
  • Capacité totale 390 L
  • Dimension Générale Ø860 mm x H2000 mm
  • Pression d’utilisation 2 bars
  • Pression de conception 3 bars
  • Pression d’essai 2 bars
  • Refroidissement 0,86 m², par chemise avec plaques alvéolaires sur la partie cylindrique et le fond bombé, entrée et sortie pour eau glycolée
  • Isolation 80 mm de polyuréthane
  • Epaisseur réservoir intérieur 3 mm acier inoxydable 304
  • Epaisseur réservoir extérieur 2 mm acier inoxydable 304
  • Type de dôme Bombé
  • Type de fond Bombé
  • Trou d’homme Supérieur
  • Finition intérieur Polissage mécanique Ra ≤ 0,6 μm, rinçage et passivation à l’acide sans angle mort (film de protection)
  • Finition extérieure Avec film de protection de la plaque extérieure, polissage sur les soudures
  • Processus de soudage 100% des joints soudés au TIG avec inertage sous Argon
  • Sonde de température Par doigt de gant
  • Houblonnage à cru Par trappe sur dôme Ø102mm TC4’’
  • Robinet de dégustation Par vanne de prélèvement aseptique Ø25 mm
  • Manomètre Oui, plage 0,0 / 3,0 bars, précision ± 0,1 bar
  • Barboteur/Pressiomètre Oui, plage 0,2 / 2,0 bars, précision ± 0,05 bar
  • Vanne de surpression Oui
  • Pierre de carbonatation Oui
  • Vidange Totale en fond et partielle dans le haut du fond bombé
  • Nettoyage En Place Complet avec boule de pulvérisation 360°, raccord avec capuchon aveugle Ø25 mm
  • Support 4 pieds renforcés avec ajustements 
  • Poids 175 kg
 

ADRESSE SHOW ROOM

49, route d'Heyrieux

69800 SAINT-PRIEST

FRANCE

Nous contacter

Par ici !

Nous suivre

   

 
Mentions Légales Gestion cookies Mon Compte Site créé avec CmonSite